国产黄色播放I91精品国自产拍天天拍I久草精品在线I久久99精品视频I色av色av色avI99视频免费观看I天天操夜操I99久久久久

您好,歡迎來到中國·上玉集團有限公司官方網站!
熱線電話:400-887-6587 | HTML地圖

推薦產品

你所在的位置: 網站首頁 -> 特殊閥門系列 > 特殊閥門

電動盲板閥

  • 產品介紹
  • 型號意義
  • 產品結構/安裝尺寸
  • 故障原因及排除方法
介質溫度 250(℃) 工作壓差 0.05-0.25
材質 碳鋼 品牌
型號 F943CX-1.5 產品別名 電動眼鏡閥
連接形式 法蘭 類型(通道位置) 直通式
流動方向 單向 驅動方式 電子
用途 鎖閉 適用介質 空氣
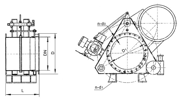
一、結構簡圖
二、主要結構特點
 1、本閥由閥門本體、驅動裝置,夾緊裝置等組成。
 2、閥門本體采用三點式結構,結構緊湊、整體剛性好、重量好。
 3、閥體、閥板密封副采用不銹鋼與橡膠組成的柔性密封副,密封可靠,密封圈采用氟橡膠,耐高溫,使用壽命長。
 4、夾緊機構采用絲桿螺母式,夾緊、松開動作迅速,自鎖性好。
 5、采用防爆型電機,無論在室內還是室外,均能保證閥門安全可靠運作。
 6、本盲板閥可現場手動操作,也可遠距離順控。
 7、本盲板閥也可單獨設計電氣控制箱操作控制裝置,本機出廠不配電氣控制箱,用戶如需另訂。
三、動作原理
 1、由閥開啟到閥關閉:
夾緊電機動作,帶動絲桿作逆時針轉動,閥體松開到位(指標燈顯示),驅動電機動作,帶動閘板作逆時針轉動到位,閘板關閉到位(指示燈顯示),夾緊電機動作,帶動絲桿作順時針轉動,閥體夾緊到位(指示燈顯示)完成閥門由開啟到關閉的全過程。
 2、閥門由關閉到開啟:
夾緊電機動作,帶動絲桿作逆時針轉動,閥體松開到位(指標燈顯示),驅動電機動作,帶動閘板作順時針轉動,閘板開啟到位,(指示燈顯示)完成閥門由關閉到開啟的全過程。
四、主要連接尺寸


中國.上玉集團有限公司是專業生產特殊閥門的廠家,電動盲板閥訂貨須知:
一、①電動盲板閥產品名稱與型號②電動盲板閥口徑③電動盲板閥是否帶附件以便我們的為您正確選型。
二、若已經由設計單位選定的電動盲板閥型號,請按電動盲板閥型號直接向我公司銷售部訂購。
三、當使用的場合非常重要或環境比較復雜時,請您盡量提供設計圖紙和詳細參數,由我們上玉集團的專家為您審核把關。
感謝您訪問上玉集團公司網站,如有任何疑問您可以撥打我們的全國熱線電話:400-887-6587,我們一定會盡心盡力為您提供優質的服務。

將本頁收藏到:

相關文章