国产黄色播放I91精品国自产拍天天拍I久草精品在线I久久99精品视频I色av色av色avI99视频免费观看I天天操夜操I99久久久久

您好,歡迎來到中國·上玉集團有限公司官方網站!
熱線電話:400-887-6587 | HTML地圖

過濾活塞式遙控浮球閥

  • 產品介紹
  • 型號意義
  • 產品結構/安裝尺寸
  • 故障原因及排除方法

YQ98003過濾活塞式遙控浮球閥主要安裝與水池或高架的進水口處,當水位達到設定的高度時,主閥由浮球導閥控制關閉進水口停止供水;當水位下降后,主閥由浮球導閥控制打開進水口向水池注水,實現自動補水。液位控制精確,不受水壓干擾;活塞式遙控浮球閥可隨水池的高度及使用空間任意位置安裝,使用壽命長。活塞式閥門性能可靠,強度高、動作平穩。關閉嚴密可靠,閥體采用流線型設計,流體阻力小,流量大;使用維護方便,主閥安裝在水池外面,調試檢驗方便,維修簡單。  

 

YQ98003過濾活塞式遙控浮球閥結構圖:   

 

YQ98003過濾活塞式遙控浮球閥主要零件材料:

 

零件名稱 材質
閥體、閥蓋 鑄鐵、鑄鋼、不銹鋼
閥座 錫青銅、不銹鋼
閥瓣 碳鋼、不銹鋼+丁腈橡膠
閥桿 鋁青鋼、鉻不銹鋼
活塞 鉻不銹鋼+丁腈橡膠
過濾網 不銹鋼
彈簧 不銹鋼

         YQ98003過濾活塞式遙控浮球閥主要技術參數表:

 

公徑壓力  1.6Mpa
 公稱通徑(DN) 40  50  65  80  100  125  150  200  300  400
 適用溫度 0-100
 環境溫度  -30-350
 適用介質  水(如使用海水中訂貨需注明)

 

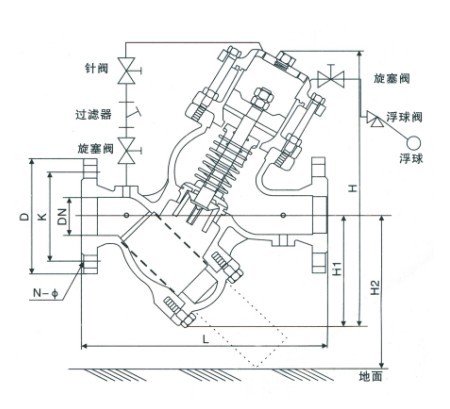
YQ98003過濾活塞式遙控浮球閥典型安裝示意圖:  



中國.上玉集團有限公司是專業生產水力控制閥的廠家,過濾活塞式遙控浮球閥訂貨須知:
一、①過濾活塞式遙控浮球閥產品名稱與型號②過濾活塞式遙控浮球閥口徑③過濾活塞式遙控浮球閥是否帶附件以便我們的為您正確選型。
二、若已經由設計單位選定的過濾活塞式遙控浮球閥型號,請按過濾活塞式遙控浮球閥型號直接向我公司銷售部訂購。
三、當使用的場合非常重要或環境比較復雜時,請您盡量提供設計圖紙和詳細參數,由我們上玉集團的專家為您審核把關。
感謝您訪問上玉集團公司網站,如有任何疑問您可以撥打我們的全國熱線電話:400-887-6587,我們一定會盡心盡力為您提供優質的服務。

將本頁收藏到: